返回主站
|
会员中心
|
保存桌面
|
手机浏览
山东禄恒防水材料有限公司
防潮材料
网站首页
公司介绍
供应产品
采购清单
新闻中心
荣誉资质
联系方式
公司相册
企业档案
企业会员
第
1
年
山东禄恒防水材料有限公司
隋玉军
先生
和我联系
经营范围:
防潮材料
主营行业:
家装材料
所在地区:
山东/潍坊市
信用指数:
0
认证信息:
企业资料通过认证
保证金:
0.00 元
产品分类
暂无分类
站内搜索
供应产品
采购清单
新闻中心
荣誉资质
公司相册
友情链接
暂无链接
首页
>
供应产品
>
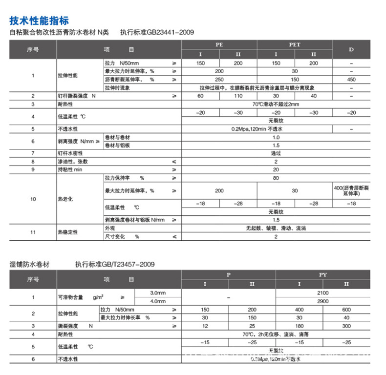
自粘聚合物改性沥青防水卷材彩钢瓦厂房用金属铝箔面自粘防水卷材
自粘聚合物改性沥青防水卷材彩钢瓦厂房用金属铝箔面自粘防水卷材
浏览:
491
单价:
20.00元/平方米
最小起订量:
20 平方米
供货总量:
3254 平方米
发货期限:
自买家付款之日起
7
天内发货
有效期至:
长期有效
最后更新:
2023-08-29 10:37
详细信息
询价单
管理入口
|
返回顶部
©2026 山东禄恒防水材料有限公司 版权所有 技术支持:
百信建材网
访问量:704